常见问题
|
联系我们
|
产品展示
网站首页
关于我们
产品展示
荣誉资质
工程案例
新闻动态
联系我们
您的位置:
电液推杆
>
产品展示
>
电动、液压、气动
电动、液压、气动
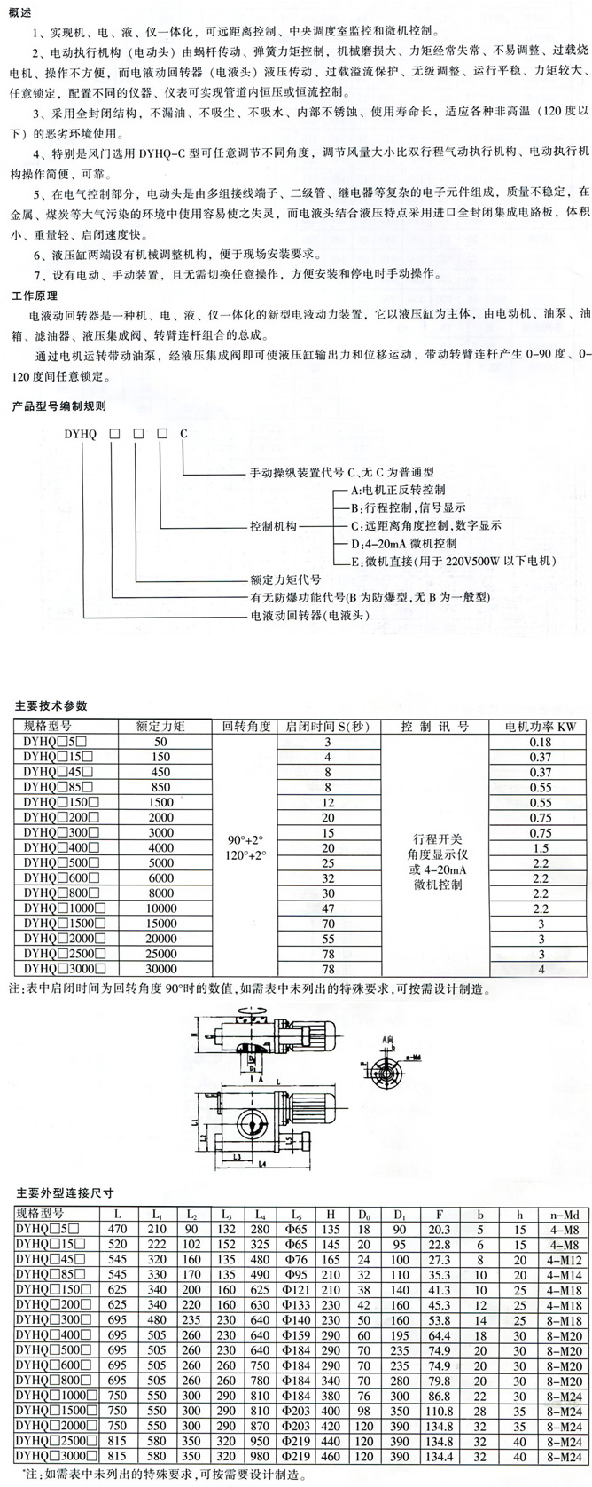
DYHQ(B)型系列电液动回转器(电液头)
上一条:分体式电液推杆
下一条:YZ型液压站
产品展示
电动、液压、气动
通用(电、液、气、手动)闸(阀)门
可变槽角犁式卸料器、卸料车
胶带自控液压拉紧装置
全自动液压防跑偏装置
露天胶带脱排水装置(刮水器)
缓冲滚筒
清扫器
输送机械
振动筛分
给料机、布料器
除尘系列
关于我们
荣誉资质
公司简介
联系我们
厂房设备
人才招聘
工程案例
合作伙伴
产品中心
电动、液压、气动
通用(电、液、气、手动)闸(阀)门
可变槽角犁式卸料器、卸料车
胶带自控液压拉紧装置
全自动液压防跑偏装置
新闻中心
公司新闻
市场动态
常见问题
版权所有:扬州诚盈机电制造有限公司
备案号:苏ICP备2020069746号